◆ MoDel: Ytx100b ytx150b
◆ Kullanımlar: Bu enstrüman serisi, yanıcı ortamın çevreleyen ortamında özel olarak kullanılır ve yerlerin patlayıcı karışım tehlikesi, sıvıların ve gazların basıncını ölçen, karşılık gelen elektrikli cihazlarla alarm veya otomatik kontrol ve diğer fonksiyonlar elde edebilir.
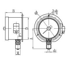
Enstrüman, büyük emme kuvveti ve güvenilir temas özelliklerine sahip manyetik bir elektrik temini benimser.
Bu enstrüman, GB 3836.1-2010 "Patlayıcı Atmosferler - Parça 1 : Ekipman için genel gereksinimler "ve GB3836.2-2010 "Patlayıcı Atmosferler - Parça 2 : Flameproof muhafazalarla korunan ekipman " d ".
















