◆ Model : Ye60 ye100 ye150
◆ Kullanım: Membran kutusu basınç göstergesine mikro basınç göstergesi de denir. Patlama tehlikesi, kristalleşme, yoğunlaşmayan ve bakır ve bakır alaşımı üzerinde aşındırıcı olmayan etki olmadan düşük gaz veya buhar mikro basıncını ölçmek için uygundur. .
◆ Teknik parametreler :
| Model numarası | Ye60 | Ye100 | Ye150 | |
| Nominal çap | Φ 60 | Φ 100 | Φ 150 | |
| Montaj türü | Ⅰ | * | * | * |
| Ⅱ | / | * | * | |
| Ⅲ | * | / | / | |
| Ⅳ | / | * | * | |
| Ⅴ | * | / | / | |
| Bağlayıcı diş | M14 × 1.5 | M20 × 1.5 | ||
| Doğruluk sınıfı | 1.6 ; 2.5 | |||
| Ölçüm aralığı ( KPA ) | -40 ~ 0 -25 ~ 0 -16 ~ 0 -10 ~ 0 -6 ~ 0 -4 ~ 0 0 ~ 4 0 ~ 6 0 ~ 10 0 ~ 16 0 ~ 25 0 ~ 40 -2 ~ 2 -3 ~ 3 -5 ~ 5 -8 ~ 8 -12 ~ 12 -20 ~ 20 | |||
| Çevresel Kullanım Koşulları | Sıcaklık : -25 ℃~ 55 ℃; Göreceli nem : ≤ 80 % | |||
| Titreşim derecesi | V · H · 2 | |||
| Membran kutusu malzemesi | QSN4-0.3 | |||
| Koruma sınıfı | IP54 | |||
| Uygulama Standartları | JB/T 9274 | |||
| Not: 1. Ortak iş parçacıkları kullanıcı gereksinimlerine göre özelleştirilebilir. | ||||
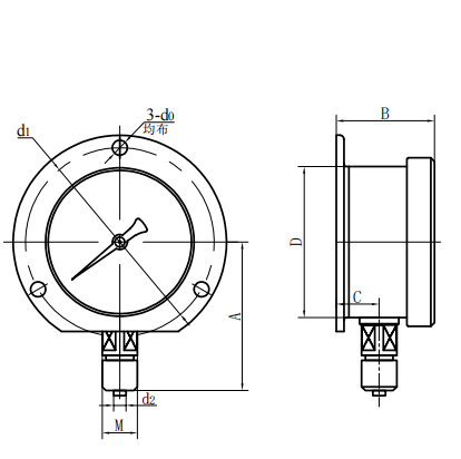
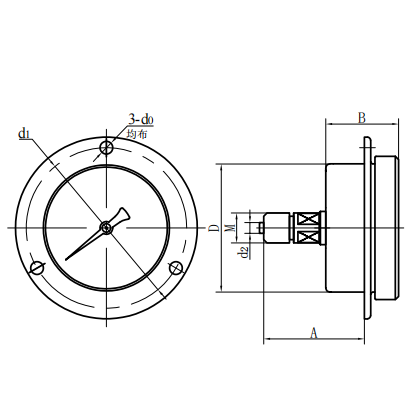
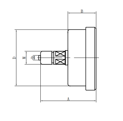
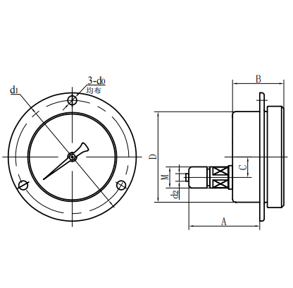
◆ Dış boyutlar:
| Radyal Doğrudan Tip (ⅰ) | Eksenel eksantrik doğrudan tip (ⅱ) |
| Eksenel eşmerkezli doğrudan tip (iii) | Eksenel eksantrik ekleme tipi (IV) |
| Eksenel eşmerkezli yerleştirme tipi (V) | Radyal dışbükey tip (vi) |
| Model numarası | Genel Boyutlar ( mm ) | ||||||
| A | B | C | D | E | D2 | M | |
| Ye60 -Ⅰ | 58 | 35 | 11 | φ 60 | 5 | φ 4 | M10 × 1 |
| Ye60 -Ⅲ | 58 | 35 | / | φ 60 | 5 | φ 4 | M10 × 1 |
| | | | | | | | |
| Ye100 -Ⅰ | 93 | 50 | 16.5 | Φ 100 | 16.5 | φ 6 | M20 × 1.5 |
| Ye100 -Ⅲ | 85 | 50 | / | Φ 100 | 16.5 | φ 6 | M20 × 1.5 |
| | | | | | | | |
| Ye150 -Ⅰ | 118 | 53 | 18.5 | φ 150 | 19 | φ 6 | M20 × 1.5 |
| Ye150 -Ⅲ | 96 | 53 | / | φ 150 | 19 | φ 6 | M20 × 1.5 |
| | | | | | | | |


















