◆ Model: YJY100 YJY150
◆ Kullanım: Mutlak basınç, referans olarak mutlak basınç sıfır (mutlak vakum) ile mutlak basınç sıfırdan daha yüksek olan basıncı ifade eder. Mutlak basınç değeri aşağıdaki formülle ifade edilebilir:
Mutlak Basınç Değeri = Vakum (Negatif Basınç) Değer Atmosferik Basınç Değeri
Mutlak basınç göstergesi esas olarak bazı vakum ekipmanlarındaki mutlak basıncı izlemek veya ölçmek için kullanılır (örn. Vakum ambalaj makineleri, yoğuşma basıncını ve sıvının buhar basıncını izlemek için ekipmanlar).
◆ Çalışma basıncı: Statik yük, ölçümün üst sınır değerinin 3/4'üne kadar kullanılır, değişim yükü ölçümün üst sınır değerinin 2/3'üne kadar kullanılır ve kısa süreli basınç ölçümün üst sınır değerine kadar kullanılır. .
◆ Teknik parametreler :
| model numarası | YJY100 | YJY150 | |
| Nominal çap | Φ 100 | Φ 150 | |
| Kurulum formu | Ⅰ | * | * |
| Ⅱ | * | * | |
| Ⅳ | * | * | |
| Ⅵ | * | * | |
| Bağlayıcı diş | M20 × 1.5 | ||
| Doğruluk sınıfı | 0.4 ; 1.0 ; 1.6 ; 2.5 | ||
| Ölçüm aralığı ( MPa ) | 0 ~ 0.1 0 ~ 0.16 0 ~ 0.25 0 ~ 0.4 0 ~ 0.6 0 ~ 1 0 ~ 1.6 0 ~ 2.5 0 ~ 4 0 ~ 6 0 ~ 10 | ||
| Çevresel Kullanım Koşulları | Temp : -40 ℃~ 70 ℃( Doğruluk sınıfı : 0.4 ) -50 ℃~ 160 ℃( Doğruluk sınıfı : 1.0 ~ 2.5 ) göreceli nem : ≦ % 80 | ||
| titreşim derecesi | V · H · 2 ; V · H · 3 | ||
| koruma sınıfı | IP65 | ||
| Uygulama Standartları | | ||
| Not: 1. Ortak iş parçacıkları kullanıcı gereksinimlerine göre özelleştirilebilir. | |||
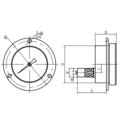
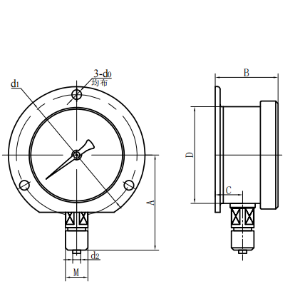
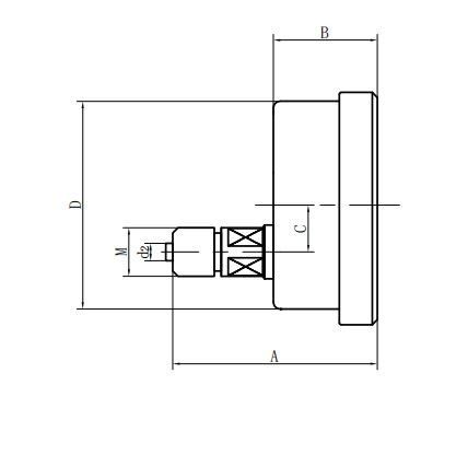
◆ Dış boyutlar:
|
Radyal Doğrudan Tip (ⅰ) | Eksenel eksantrik doğrudan tip (ⅱ) |
| Eksenel eşmerkezli doğrudan tip (iii) | Eksenel eksantrik ekleme tipi (iv) |
| model numarası | Genel Boyutlar ( mm ) | |||||||
| A | B | C | D | D0 | D1 | D2 | M | |
| YJY100 -Ⅰ | 90 | 48 | 15 | Φ 100 | / | / | Φ 6 | M20 × 1.5 |
| YJY100 -Ⅱ | 83 | 44 | 34 | Φ 100 | / | / | Φ 6 | M20 × 1.5 |
| YJY100 -Ⅳ | 68 | 44 | 34 | Φ 100 | Φ 6 | Φ 118 | Φ 6 | M20 × 1.5 |
| YJY100 -Ⅵ | 90 | 48 | 15 | Φ 100 | Φ 6 | Φ 118 | Φ 6 | M20 × 1.5 |
| YJY150 -Ⅰ | 117 | 51 | 16.5 | Φ 150 | / | / | Φ 6 | M20 × 1.5 |
| YJY150 -Ⅱ | 92 | 52 | 55 | Φ 150 | / | / | Φ 6 | M20 × 1.5 |
| YJY150 -Ⅳ | 69 | 52 | 55 | Φ 150 | Φ 6 | Φ 165 | Φ 6 | M20 × 1.5 |
| YJY150 -Ⅵ | 117 | 53 | 28 | Φ 150 | Φ 6 | Φ 165 | Φ 6 | M20 × 1.5 |
























