◆ Model: Yp100-L YP150-L YP100-F YP150-F
◆ Model: Yp100-L YP150-L YP100-F YP150-F
◆ Teknik parametreler:
| Model | YP100-L 、 YP100-F | YP150-L 、 YP150-F |
| Nominal çap | F 100 | F 150 |
| Doğruluk sınıfı | 2.5 | |
| Ölçüm aralığı ( KPA ) | Negatif basınç: -60 ~ 0 -40 ~ 0 -25 ~ 0 -16 ~ 0 -10 ~ 0 0 ~ 10 -6 ~ 0 -4 ~ 0 -2.5 ~ 0 -1.6 ~ 0 Pozitif Basınç: 0 ~ 1.6 0 ~ 2.5 0 ~ 4 0 ~ 6 0 ~ 1 0 ~ 1.6 0 ~ 2.5 Pozitif ve negatif basınç: -0.8 ~ 0.8 -1.2 ~ 1.2 -2 ~ 2 -3 ~ 3 -5 ~ 5 -8 ~ 8 -12 ~ 12 -20 ~ 20 -30 ~ 30 | |
| Ölçüm aralığı ( MPa ) | Vakum: -0.1 ~ 0 Basınç Vakumu: -0.1 ~ 0.06 -0.1 ~ 0.15 -0.1 ~ 0.3 -0.1 ~ 0.5 -0.1 ~ 0.9 -0.1 ~ 1.5 -0.1 ~ 2.4 Basınç: 0 ~ 0.06 0 ~ 0.1 0 ~ 0.16 0 ~ 0.25 0 ~ 0.4 0 ~ 0.6 0 ~ 1 0 ~ 1.6 0 ~ 2.5 | |
| Ortam sıcaklığı kullanın | -40 ℃~ 70 ℃ | |
| Diyafram malzemesi | OCR18ni12mo2ti ; Sus316 ; | |
| Montaj türü | Dişli ( L ); Flanş ( F ), ( F1 ) | |
| Titreşim Direnç Derecesi | V · H · 2 | |
| Giriş koruması | IP64 | |
| Standardı uygulamak | JB/T 5491 | |
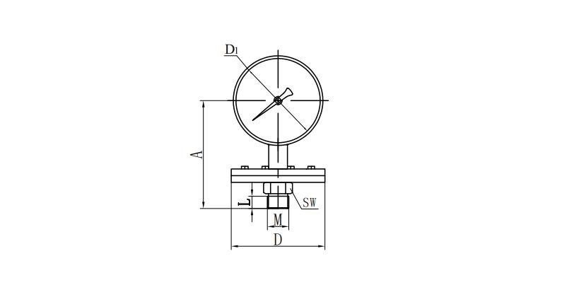
◆ Dış boyutlar:
Dişli ( L )
| Model | Boyutlar ( mm ) | |||||
| A | D | D1 | Sw | L | M | |
| YP100-L | 135 | Φ 97.5 Mikropresür φ 165 | 110 | 27 | 20 | M20 × 1.5 |
| YP150-L | 160 | 160 | 27 | 20 | M20 × 1.5 | |
| Not: Ortak iş parçacığı ( M ) kullanıcı gereksinimlerine göre boru ipliğine veya konik boru ipliğine yapılabilir (bkz. Seçim Kılavuzu). . | ||||||
Wuxi Huihua Özel Enstrümantasyon Co., Ltd. was established in December 2001, the registered capital is 5 million yuan, the existing staff of more than 50 small and medium-sized joint-stock enterprises.
Şirket, ithal enstrümanların yerelleştirilmesine alternatif olan çeşitli özel enstrüman türlerinin üretimi konusunda uzmanlaşmıştır. Sismik basınç göstergesi, sismik elektrik temas basıncı göstergesi, paslanmaz çelik basınç göstergesi, diyafram korozyona dayanıklı basınç göstergesi, deniz basınç göstergesi ve ana ürünler olarak diğer seriler. Saha enstrümanlarına dayanarak, çeşitli basınç vericileri, basınç denetleyicileri, dijital basınç göstergeleri vb. 30'dan fazla seri ve 3000 spesifikasyon vardır. Tedarik ürünleri petrol, kimyasal, kağıt, metalurji, madencilik, kimyasal fiber, elektrik gücü, gıda, çevre koruma, kauçuk, hidrolik ve diğer birçok endüstride ve iyi bir ortaklık kurmak için ulusal büyük ve orta ölçekli işletmelerle dostça bir ilişki kurmak için 2.000'den fazla yerli müşteride yaygın olarak kullanılmaktadır ve kullanıcıların büyüklüğünü kazanmış ve kurumsal bir marka imajı oluşturmaktadır.
Gibi YP Serisi Diyafram Basınç Göstergeleri Manufacturers, tutarlı kalitenin üretilmesini sağlamak için üretim sistemi genelinde katı kalite kontrol süreçleri mevcuttur.
Basınç göstergeleri herhangi bir endüstriyel, mekanik veya proses ortamındaki en temel araçlar arasındadır. Akışkan veya gaz basıncının gerçek zamanlı ölçümünü sağlayarak operatörlerin sistem performansını izlemesine,......
DEVAMINI OKUBasınç Ölçer Temellerini Anlamak Basınç göstergeleri Bir sistem içindeki gazların veya sıvıların basıncını ölçmek ve görüntülemek için sayısız endüstride kullanılan temel araçlardır. Bu cihazlar, sistem perfo......
DEVAMINI OKUDiferansiyel basınç vericileri, modern endüstriyel proses kontrolü, ölçümü ve izleme sistemlerinde temel araçlardır. Bu cihazlar, bir sistemdeki iki nokta arasındaki basınç farkını ölçer ve bu ölçümü, kontrol sistemle......
DEVAMINI OKU