◆ Model: yg60 yg100 yg150
◆ Kullanım: Bu göstergelerin tüm kısımları paslanmaz çelikten yapılmıştır ve ana parçalar 1CR18ni9, OCR12ni12MO2ti, Sus316, Sus316L vb. Bunlar arasında, korozyona dirençli yüksek sıcaklık basınç göstergesi, aşındırıcı ortamlar için uygun mükemmel yüksek sıcaklık ve korozyona dirençli performansa sahiptir, ancak kristalizasyon, konsolidasyon, düşük viskoziteli yüksek sıcaklık ortamını tespit edebilir. Petrol, kimyasal, pestisit, kauçuk, doğal gaz ve diğer endüstrilerde yaygın olarak kullanılır.
◆ Teknik parameTreler :
| Model numarası | YG60 | YG100 | YG150 | ||
| Nominal çap | Φ 60 | Φ 100 | Φ 150 | ||
| MonTaj türü | Ⅰ | * | * | * | |
| Ⅱ | * | * | * | ||
| Ⅲ | * | / | / | ||
| Ⅳ | * | * | * | ||
| Ⅴ | * | / | / | ||
| Ⅵ | * | * | * | ||
| Bağlayıcı diş | M14 × 1.5 | M20 × 1.5 | |||
| Doğruluk sınıfı | 2.5 | 1.6 | |||
| Ölçüm aralığı ( MPa ) | Boş: -0.1 ~ 0 Basınç Vakumu : -0.1 ~ 0.06 -0.1 ~ 0.15 -0.1 ~ 0.3 -0.1 ~ 0.5 -0.1 ~ 0.9 -0.1 ~ 1.5 -0.1 ~ 2.4 Basınç: 0 ~ 0.1 0 ~ 0.16 0 ~ 0.25 0 ~ 0.4 0 ~ 0.6 0 ~ 1 0 ~ 1.6 0 ~ 2.5 0 ~ 4 0 ~ 6 0 ~ 10 0 ~ 16 0 ~ 25 0 ~ 40 0 ~ 60 0 ~ 100 、 0 ~ 160 、 0 ~ 250 | ||||
| Çevresel Kullanım Koşulları | Sıcaklık : -40 ℃~ 70 ℃ | ||||
| Sıcaklık | Doğrudan Kurulum : ≤ 150 ℃ | ||||
| Sıcaklık: ≤ 500 ℃ | |||||
| Sıcaklık Etkisi Hatası | Δ = ± (δ K Δ t ) Δ— - Ortam sıcaklığı 20 ℃ ± 5 ℃ 'dan saptığında görüntüleme değeri hatasının izin verilen değeri ve ortam sıcaklığı 20 ℃ ± 5 ℃' dan saptığında görüntüleme değeri hatasının izin verilebilir değeri. % Δ— - Aletin iç hatasının mutlak değeri. % K ——%0.04/° C değeri olan sıcaklık etki katsayısı Δ t —— Bourdon tüpünde ortamın sıcaklığı ℃ -25∣ | ||||
| Titreşim derecesi | V · H · 3 | ||||
| Borden Tüp Malzemesi | OCR18ni12mo2ti ; Sus316 ; Sus316L | ||||
| Konut, konektör malzemesi | 1cr18ni9ti ; Sus304 | ||||
| Koruma sınıfı | IP65 | ||||
| Uygulama Standartları | GB/T 1226 | ||||
| Not: 1. Ortak iş parçacıkları kullanıcı gereksinimlerine göre özelleştirilebilir. | |||||
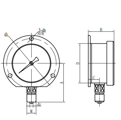
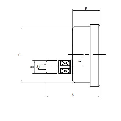
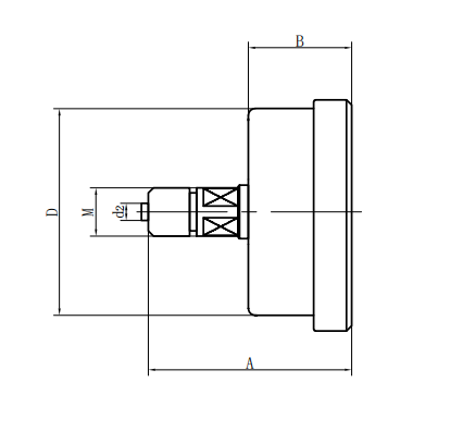
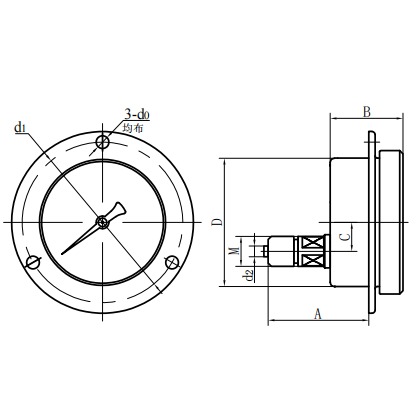
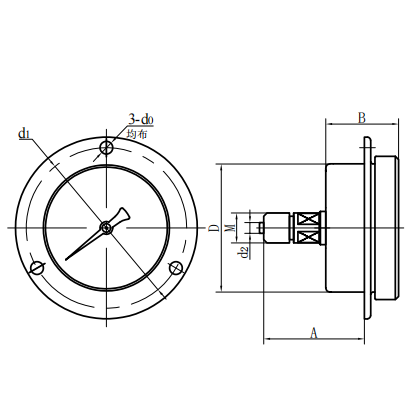
◆ Dış boyutlar:
| Radyal Doğrudan Tip (ⅰ) | Eksenel eksantrik doğrudan tip (ⅱ) |
| Eksenel eşmerkezli doğrudan tip (iii) | Eksenel eksantrik ekleme tipi (IV) |
| Eksenel eşmerkezli yerleştirme tipi (V) | Radyal dışbükey tip (vi) |
| Model numarası | Genel Boyutlar ( mm ) | |||||||
| A | B | C | D | D0 | D1 | D2 | M | |
| YG60 -Ⅰ | 56 | 33 | 11 | Φ 60 | / | / | Φ 5 | M14 × 1.5 |
| YG60 -Ⅱ | 61 | 32.5 | 18 | Φ 60 | / | / | Φ 5 | |
| YG60 -Ⅲ | 61 | 32.5 | / | Φ 60 | / | / | Φ 5 | M14 × 1.5 |
| YG60 -Ⅳ | 55 | 32.5 | 18 | Φ 60 | Φ 5 | Φ 75 | Φ 5 | |
| YG60 -Ⅴ | 55 | 32.5 | / | Φ 60 | Φ 5 | Φ 75 | Φ 5 | M14 × 1.5 |
| YG60 -Ⅵ | 56 | 33 | 11 | Φ 60 | Φ 5 | Φ 75 | Φ 5 | M14 × 1.5 |
| YG100 -Ⅰ | 90 | 48 | 15 | Φ 100 | / | / | Φ 6 | M20 × 1.5 |
| YG100 -Ⅱ | 83 | 44 | 34 | Φ 100 | / | / | Φ 6 | M20 × 1.5 |
| YG100 -Ⅳ | 68 | 44 | 34 | Φ 100 | Φ 6 | Φ 118 | Φ 6 | M20 × 1.5 |
| YG100 -Ⅵ | 90 | 48 | 15 | Φ 100 | Φ 6 | Φ 118 | Φ 6 | M20 × 1.5 |
| YG150 -Ⅰ | 117 | 51 | 16.5 | Φ 150 | / | / | Φ 6 | M20 × 1.5 |
| YG150 -Ⅱ | 92 | 52 | 55 | Φ 150 | / | / | Φ 6 | M20 × 1.5 |
| YG150 -Ⅳ | 69 | 52 | 55 | Φ 150 | Φ 6 | Φ 165 | Φ 6 | M20 × 1.5 |
| YG150 -Ⅵ | 117 | 53 | 28 | Φ 150 | Φ 6 | Φ 165 | Φ 6 | M20 × 1.5 |
















