◆ Teknik Parametreler:
| Model | CYB100 | CYB150 |
| Nominal çap | Φ 100 | Φ 150 |
| Montaj türü | Radyal dışbükey monte edilmiş Paralel arayüzler | * | * |
| Radyal dışbükey monte edilmiş Sekiz karakterli arayüz | / | * |
| Eksantrik eksantrik yıkama tipi | / | * |
| Ölçüm aralığı | Diferansiyel basınç Ölçüm aralığı KPA | Nominal İş baskısı KPA | Diferansiyel basınç Ölçüm aralığı MPa | Nominal İş baskısı MPa |
| 0 ~ 10 | 60 | 0 ~ 0.16 | 1 |
| 0 ~ 16 | 100 | 0 ~ 0.25 | 1.6 |
| 0 ~ 25 | 160 | 0 ~ 0.4 | 2.5 |
| 0 ~ 40 | 250 | 0 ~ 0.6 | 4 |
| 0 ~ 60 | 400 | 0 ~ 1 | 6 |
| 0 ~ 100 | 600 | 0 ~ 1.6 | 10 |
| | | 0 ~ 2.5 | 10 |
| Doğruluk sınıfı | 2.5 |
| Takma iş parçacıkları | M20 × 1.5 |
| Ortam sıcaklığı kullanın | -40 ℃~ 70 ℃ |
| Kullanılacak ortamın sıcaklığı | ≤ 60 ℃ |
| Titreşim Direnç Derecesi | V · H · 3 |
| Muhafaza derecesi | IP54 |
| ağırlık | Yaklaşık olarak 1.0 kg |
| Dürtü sisteminin malzemesi | 0CR17ni12mo2 、 Sus316 |
| kasa ve diğer malzemeler | 1CR18ni9 、 Sus304 |
| Standardı uygulamak | JB/T 12015-2014 |
| Not: 1 . Ortak iş parçacığı kullanıcı gereksinimlerine göre özelleştirilebilir. |
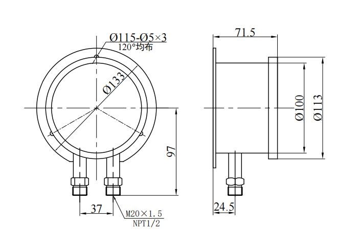
◆ Görünüm ve kurulum boyutu:
| CYB100 Paralel arayüz | CYB150 Paralel arayüz |
| CYB150 Bazi arayüzü | CYB150 eksenel eksantriklik |
◆ Yapısal prensip:
Enstrüman bir çift Bourdon tüp yapısı benimser- yani "I" braketinin her iki tarafında simetrik pozisyonlara iki Bourdon tüpü monte edilir. "I" braketinin üst ve alt bölümleri sırasıyla hareketli uçtur ve sabit uçtur ve ortası bir yay parçası ile bağlanır: iki Bourdon tüpü sırasıyla paralel bir durumdadır ve kasa üzerindeki yüksek ve düşük voltaj eklemleri ile bağlantılıdır: vites iletim mekanizması doğrudan, doğrudan sabitlenir ve doğrudan hareketli bir şekilde sabitlenir: doğrudan hareketle sabitlenir: Doğrudan, çubuğun doğrudan sabitlenmesi ile bağlanır: Doğrudan, çubuğun doğrudan takılmasıyla bağlanır: " dişli iletim mekanizması üzerinde.
◆ Çalışma prensibi: Basınç algılama elemanına dayanarak, aynı sertliğe sahip iki Bourdon tüpü kullanılır, bu nedenle sırasıyla hareketli braket üzerinde hareket etmek için aynı ölçülen ortam altında aynı konsantre kuvveti üretmeye zorlanırlar, çünkü yay bıçağının iki tarafı, eşit anın etkisi altında sapma, yine de orijinal pozisyonda durmaz, böylece orijinal konumdadır, bu yüzden orijinal pozisyonda durur, bu yüzden orijinal pozisyonda durur, bu yüzden orijinal pozisyonda durur, bu yüzden orijinal pozisyonda durur, bu yüzden orijinal pozisyonda durur, bu yüzden orijinal pozisyonda durur, bu yüzden orijinal pozisyonda durur, bu yüzden orijinal pozisyonda durur, bu yüzden orijinal pozisyonda durur, yani orijinal pozisyonda durur, böylece orijinal pozisyonda durur, yani orijinal pozisyonda durur, yani orijinal pozisyonda durur, yani orijinal pozisyonda durur, böylece orijinal pozisyonda durur, yani orijinal pozisyonda durur. konum.
Farklı basınçlar uygulVeığında (genellikle yüksek basınçlı uç düşük basınçlı uçtan daha yüksektir) , hareketli destek üzerine hareket eden iki Bourdon tüpünün kuvveti eşit değildir, böylece karşılık gelen yer değiştirme üretilir ve dişli iletim mekanizması sürülür ve amplifiye edilir ve iki işaret arası saptırılır.
◆ Önlemler:
1. Enstrüman, ölçüm noktasıyla aynı seviyede bir konumda dikey olarak kurulmalıdır, aksi takdirde sıvı seviyesi farkının neden olduğu ek hata dikkate alınmalıdır.
2 . Enstrüman konnektörü ile işaretlenmiş " H " veya " "Yüksek voltaj sonu ve ile işaretlenmiş" L " veya " - "Kurulum sırasında tersine çevrilemeyen düşük voltajlı uçtur.
3 . Cihaz diferansiyel basıncı ölçtüğünde, diferansiyel basınç değeri içinde kullanılabilir. % 75 ölçek aralığının üst sınırından ve sistemin maksimum statik basınç değeri, cihaz tarafından belirtilen maksimum statik basınç değerini aşmamalıdır.
4. Şekilde gösterildiği gibi 4 , Denge (güvenlik) valfi (valf 1 ) kurulum sırasında cihazın yüksek ve düşük basınçlı giriş bağlantı noktalarının önüne yerleştirilmeli ve açık konumda olmalı ve valften sonra denge vanası kapatılmalıdır. 2 and Valf 3 hepsi açıldı.
5 . Kullanmadan önce, cihaz Bourdon tüpünde erken korozyon hasarına neden olmayacak şekilde ölçülen ortamın neden olduğu erozyon derecesini dikkatlice doğrulamalıdır.
◆ Sipariş talimatları:
Enstrümanı sipariş ederken, kullanıcı şunları göstermelidir:
1. Model ve isim, diferansiyel basınç aralığı, maksimum statik basınç, ölçüm birimi, doğruluk seviyesi;
2. Bağlantı ve Bourdon tüp malzemesi;
3. Ortak iş parçacığı boyutu: geleneksel M20 × 1.5 , NPT1/2 (veya müşterinin ataması);
4. Not: Üç valf grubu kullanıcılar adına özelleştirilebilir (valfler 1 ~ 3 Şekilde 4 )